隨著國家對電力行業粉塵排放濃度標準的進一步提高,高除塵效率的袋式除塵器在電力行業的應用得到了大量的推廣。
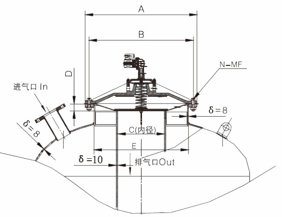
目前在電廠應用的布袋除塵器中,長臂回旋管噴嘴袋除塵器由于其適宜處理大風量含塵氣體,脈沖閥維護工作量小,噴吹量大、壓力低,能節約大量能源等特點,深受電力行業用戶的歡迎,具有廣泛的發展空間。其中,清灰系統的“心臟”部件電磁脈沖閥普遍是國外進口的8寸以上的大閥,而國內生產的閥口徑大都在3寸以下,不能滿足其大噴吹量的要求。我公司科研人員,為了適應高速發展的環保工業要求,經過不懈努力,已研制出8寸、10寸、14寸等規格的電磁脈沖閥。通過實驗測試,各項性能均能達到國外水平,可以替代進口產品,歡迎用戶選用。
手機版|
二維碼|










