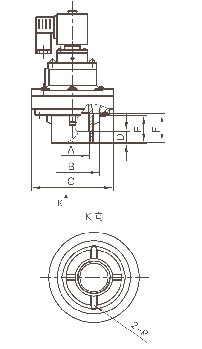
| 電磁脈沖閥型號:DCF-Y-40S |
|
|||||||||||||||||||
與分氣箱和噴管連接器安裝參考尺寸:
|
|
|||||||||||||||||||
技術標準
工作壓力:0.2~0.6MPa
工作介質:清潔空氣
電壓:DC24V、(AC220V/50HZ)
使用環境:
①溫度:常溫膜片-25°C~85°C
高溫膜片-25°C~230°C
低溫膜片-40°C~80°C
② 空氣的相對濕度不超過85%
防護等級:IP65
膜片壽命:5年或100萬次
手機版|
二維碼|










