朱小芳 戴金花
江蘇安科瑞電器制造有限公司 江蘇江陰 201801
摘要:本文介紹了并聯有源濾波裝置的工作原理和在廠礦企業配電網中應用,就諧波治理中的無源及有源濾波技術進行了對比,結合實踐證明并聯有源濾波裝置是治理諧波污染的有效設備,今后將具有廣闊的運用前景。
關鍵詞:諧波 有源濾波裝置 混合補償
引言:近年來,許多廠礦企業大量使用可控硅整流和換流設備、電弧爐、中頻爐等諧波干擾源負荷設備,這些設備在吸收大量無功功率、降低用戶的功率因數的同時,也使諧波問題日趨嚴重。根據電力工業電能質量方面的標準及管理規定,各地供電部門出臺了相應的諧波限制準則及措施,并對諧波污染嚴重的企事業單位進行考核和治理。因此,濾除諧波、提高功率因數、延長設備壽命是這類企業節能降耗、提高生產效益和產品質量的當務之急。
傳統的諧波抑制和無功補償方法是采用由電感和電容構成的無源濾波裝置,該裝置與需補償的非線性負載并聯,在為諧波提供低阻通路的同時,也為負載提供了所需的無功功率。雖然無源濾波裝置具有簡單、方便的優點,但它也存在許多缺點。
有源電力濾波(active power filter,APF)裝置不僅可減小占地面積,而且可有效解決無源濾波裝置存在的問題。有源濾波與無源濾波存在著本質區別,它是根據動態補償諧波的原理,應用現代電力電子器件和計算機技術,快速跟蹤諧波產生的諧波大小和特性,由裝置發出相應頻率的反向電流,從而達到同時濾除多種成分諧波的目的。它一般由電子電力變流器構成,具有半導體功率變流器的高可控性和快速響應性。
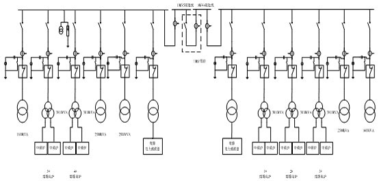
1 ANAPF低壓有源濾波器在工廠中的應用案例
1.1項目簡介
秦皇島某電子有限公司配電系統中接有5套整流變壓器,主要給10個熔化中頻電爐供電。該類設備采用12脈波晶閘管整流方式,在生產過程中產生嚴重的非正弦畸變和大量高次諧波,對自身配電系統和公共電網造成嚴重干擾。同時,由于該非線性負載為感性的,使自身配電系統的功率因數惡化,10kV進線側11次和13次諧波電流超出國家標準要求,進而大大影響了配電系統和公共電網的電能質量。如果不進行諧波治理,不僅對該公司自身配電系統造成危害,而且會危及公共電網安全。
1.2 ANAPF濾波裝置原理
ANAPF系列有源電力濾波裝置,以并聯方式接入電網,通過實時檢測負載的諧波和無功分量,采用PWM變流技術,從變流器中產生一個和當前諧波分量和無功分量對應的反向分量并實時注入電力系統,從而實現諧波治理和無功補償。
原理如下圖:

1.3方案設計
10kV高壓系統分4段和5段母線,每段母線的有源電力濾波器容量為450A,使用型號為ANAPF100-400/B的濾波器3臺并聯,通過0.4kV/10kV的諧波變壓器將諧波送至10kV側與負載諧波疊加,達到與電網諧波抵消的作用。

濾波器投運后系統圖
1.4治理前后諧波電流頻譜對比圖:

1.5治理效果
在10kV母線4段和5段使用兩套有源電力濾波器裝置進行治理后,系統諧波得到了很好的抑制,完全將11次、13次諧波限制在國家標準的范圍內,提升供電系統的供電可靠性,消除了系統諧波對電網系統影響的隱患,收到了良好效果,達到改善電網電能質量的目的。
2 ANAPF有源濾波器簡介
2.1技術參數

|
說明: 1、可以通過實測數據確定補償電流,或通過電力系統詳細信息(單線圖、變壓器、負荷情況等)計算出補償電流; 2、三線系統需配置2個或3個CT(用于A相和C相),四線系統需要配置3個CT(用于A相、B相和C相)。 |
||||
2.2 ANAPF有源濾波器報價及元件清單

3并聯型ANAPF應用優勢
1)濾除諧波
ANAPF濾波范圍廣、濾波效率高,濾除率可達92%以上:無源濾波設備是利用補償容量,針對固定次諧波設置LC濾波支路,而對它次諧波濾除效果較差;針對該系統工況諧波成分非常復雜,而系統功率因數已較高?;ㄑa償容量太小,根本無法設置特定的LC濾波支路來保證各次濾除率達到要求。尤其是系統2次諧波含量較大,而根據LC濾波支路的原理,2次諧波阻抗和基波幾乎相同,濾除率極低。
2)防止諧波放大,抑制諧振功能
ANAPF無儲能原件,不受系統參數與設計參數發生變化是的影響,不會與系統發生諧振;無源濾波設備,設置高次濾波支路將會對低次諧波放大,而系統2~13次諧波含量均較大,設置的濾波支路極易對其他次諧波造成放大;無法適用系統參數與設計參數不一致或發生的變化,存在與系統發生諧振的風險。
3)其他
ANAPF響應時間小于10ms,延遲時間小于100us;無功補償可編程,即可補容性無功,也可補感性無功;帶載能力強,自動限流,不會發生過載,使用壽命高;體積小,易于安裝; 無源濾波設備動態響應慢;只能補容性無功;限于LC器件特性,長時間運行后,LC參數可能會發生變化;體積大,調試較復雜。
4結論
1)本文設計的模塊化并聯型有源濾波裝置是可用于低壓配電系統的新型濾波補償裝置。該裝置自身可同時補償系統的高次諧波和基波無功功率,具有高度的自適應性,且濾波精度高、補償效果好。
2)該裝置自身各項保護功能完善,可抑制因系統參數改變而產生的并聯或串聯諧振,還可防止無功過補償等。
3)在企業原有的電容器無功補償裝置基礎上進行了改造,設計的由電容和有源濾波裝置構成的濾波與無功功率混合補償系統,節約了用戶投資成本,縮短了工期,為低壓配電網的諧波治理工程提供了高效的補償裝置,具有良好的應用價值和應用前景。
4)有源濾波裝置模塊單體容量的擴大及其電壓等級的進一步提高可作為今后研究的方向。
【參考文獻】
[1] GB/T 14549-1993 《電能質量:公用電網諧波》
[2] 羅世國.無源電力濾波器的補償特性及其存在的問題分析[J].電網技術,2004,28(22):40-43
[3] 上海安科瑞電氣股份有限公司產品手冊.2013.01.版
作者簡介:
朱小芳,女,本科,上海安科瑞電氣股份有限公司,主要研究方向為智能電網供配電,
Email: ACRELDJH@163.COM 手機:15052183915 QQ:1990381446










