江蘇安科瑞電器制造有限公司 江蘇江陰214405
1 商場概況
該工程建設地點在遼寧省鐵嶺市高新經濟技術開發區,有A1、A2兩個地塊組成,每個地塊-1F使用功能為地下停車場、水暖設備用房、柴油發電機及配電間,2F~4F使用功能為電影院、餐飲用房、商業用房及零售用房。A1地鐵建筑面積為110000m2,包括售樓中心、-1F停車場、奧特萊斯商業及餐飲、水世界游樂場、酒店等。A2地塊建筑面積約為100000m2,包括-1F停車場、地上地中海部分和加州部分,包括餐飲、零售、商業和電影院等使用功能。加州部分由多個獨立的四層以下單體,上面加一個屋面,構成一個完整的建筑物。
2 供電電源的確定
該工程屬于大型商場,根據JGJ 16-2008《民用建筑電氣設計規范》,大型商場及超市的經營管理用計算機系統用電屬于一級負荷重特別重要負荷,大型商場及超市營業廳的備用照明用電屬于一級負荷,大型商場及超市的自動扶梯、空調用電屬于二級負荷。該工程建設單位只能提供一路10kV市政電源,需設柴油發電機作為一、二級負荷備用電源。
根據JGJ 16-2008《民用建筑電氣設計規范》第6.1.2條第2款,在方案及初步設計階段,柴油發電機容量可按配電變壓器總容量的10%~20%進行估算。在施工圖設計階段,可根據一級負荷、消防負荷以及某些重要二級負荷的容量,按下列方法計算的最大容量確定。
1)按穩定負荷計算發電機容量。
2)按最大的單臺電動機或成組電動機起動的需要,計算發電機容量。
3)按起動發動機時,發電機母線允許電壓降計算發電機容量。
根據以上計算,一般來講,柴油發電機容量應按第(1)款,按照該工程消防負荷與臨時停電時,滿足重要負荷和餐飲及商鋪照明用電負荷大者選取總負荷容量進行計算。
3 柴油發電機電源與市電供電的配合
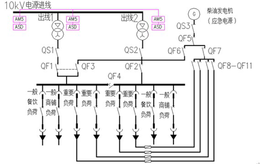
考慮到該工程餐飲及商鋪照明負荷屬于三極負荷,臨時停電會有應急照明和疏散指示照明啟動,并不會造成重大影響。因此選用兩路電源保障,一回路線路供電方案。供電方案如圖1,該系統方案由一路10kV高壓電源同時供電,單母線分段運行,兩臺變壓器互為備用,柴油發電機作為第二電源。具體運行方式如下:
1)正常情況下,QS1、QF1、QS2、QF2、QF7、QF8、QF9、QF10、QF11皆處于合閘;
2)QF3、QF4、QF5分閘;
3)當市電變壓器TM1和TM2一路故障或檢修停電時,可合QF4,此時由單一變壓器暫時供電,但一般負荷應停止供電,以免變壓器過分超載;
4)當市電失電后,兩臺變壓器電源皆失電后,應急柴油發電機組在15~30S內向應急母線段供電,此時在確認QF1、QF2斷開后,QF5投入工作,QF6亦可合閘,兩個重要負荷母線段,分別向重要負荷供電,保證了兩個線路直供至負荷末端;
5)市電恢復后,QF4分閘,QF3先斷開,然后QF1、QF2投入工作;
6)QS1、QS2、QS3三組隔離開關,僅供QF1、QF2、QF5檢修時起到隔離作用。

圖1
4 供電電源位置的設置
4.1 開閉所和中心變電所配電系統
開閉所建在城市主要道路的路口附近、負荷中心區和兩座高壓變電站之間,匯集若干條變電站10kV出線作為電源,以相同電壓等級向用戶供電的開關設備的集合,并且具有出線保護,主要起轉輸左右。在大型商場只需供電部門提供一路10kV進線,且經兩臺10kV/0.4kV變壓器降壓到商場使用。為保證進線電源的有效供電,在開閉所內部,高壓配電柜采用SF6絕緣緊湊開關柜,進線開關采用真空開關,10kV進線柜和出線柜上配安科瑞電氣股份有限公司的AM5-F進線保護裝置,具有三段式過流保護、兩段零序過流保護、過負荷保護。
中心配變電所深入負荷中心,所內有起開閉和分配電能作用的高壓配電裝置,將若干條10kV出線電壓分別送至其他變電所,且母線上可設置變壓器,為臨近建筑物提供電壓供電電源。本商場項目中心配電所進線10kV配出,通過變壓器編程交流0.4/0.23kV低壓配出,在高壓側有計量。在10kV變壓器出線柜上配AM5-T變壓器保護裝置,具有變壓器高溫報警、變壓器超溫跳閘、電流速斷保護、定時限過流保護、零序過流保護。
表1 開閉所和中心配電所二次設備

4.2 供電半徑
供電半徑就是從電源點開始到其供電的最遠負荷點之間的線路的距離,指供電線路物理距離,而不是空間距離。低壓供電半徑指從配電變壓器到最遠負荷點的線路的距離。供電半徑取決于以下兩個因素的影響:1)電壓等級(電壓等級越高,供電半徑相對越大);2)用戶終端密集度(即電力負載越多,供電半徑越小)。
根據《全國民用建筑工程設計技術措施——電氣》2009年版規定,低壓線路的供電半徑應根據具體供電條件,干線一般不超過250m,當供電容量超過500kW,供電距離超過250m時,應考慮增設變電所。由于本項目為自維用電,根據國家標準圖04DX101-1《建筑電氣常用數據》表3.6電力線路合理輸送功率和距離,供電半徑按照250m設計。
4.3 中心變配電所的位置
根據JGJ 16-2008《民用建筑電氣設計規范》第4.2.2條,配變電所可設置在建筑物的地下層,但不宜設置在最底層。配變電所設置在建筑物地下層時,應根據環境要求加設機械通風、去濕設備等。從中心變電所引至本地塊其他分變電所可采取以下幾種方式。
1)屋面上線槽敷設。
2)屋面下線槽敷設。
3)10kV電纜引至中心變電所,再沿電氣豎井引至室外,從室外再通過分變電所下面的電氣豎井引至各分變電所。
5 低壓配電方案
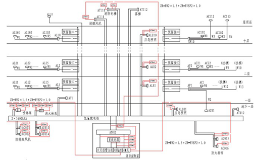
5.1 柴油發電機的合理配電
根據建設單位提出的要求,本商場項目工程的餐飲和商鋪的照明在市電檢修或失電的情況下要求能保證正常經驗,所以柴油發電機除作為消防負荷的供電之外,也負責為臨時停電時餐飲和商鋪照明提供供電。供電方案如圖2給出。本方案考慮消防負荷與應急負荷或備用負荷分別采用不同低壓母線段供電,非消防供電母線不會對消防供電母線干擾,消防負荷與保障負荷總斷路器不同時合閘。

圖2
5.2 消防負荷與非消防負荷的低壓配電
由于本工程性質為商場,為人員密集場所。根據近年來許多建筑物在發生火災時,雖然城市電網有電,但是供配電系統的主斷路器合不上閘,導致消防設備不能啟動滅火。在發生火災時,由于切除非消防電源不準確或低壓配出回路的斷路器上、下級保護配合不好,許多普通配電線路因消防水四溢,導致配電線路短路或過載,引起配電系統越級跳閘。消防負荷因此失去工作電源而不能啟動,延誤了最佳滅火時間。大多是消防負荷與普通負荷共用同一進線斷路器或同一低壓母線段。

圖3
所以本工程中采用了如圖3所示的方案,將消防負荷與非消防負荷在低壓母線段上分開。且在低壓消防負荷出線柜上配置了安科瑞電氣股份有限公司的AFPM3-AVI消防設備電源監測器,能實時、有效的監測消防設備的電源。并在消防控制室內安裝安科瑞公司的AFPM100消防設備監測系統。系統由監控器、中繼器、傳感器(監控模塊)和傳輸纜線組成。監控器最多可管理128個監控模塊,每個回路可管理32個監控模塊。其中監控模塊具有過壓、欠壓、過流、缺相、錯相報警,同時具有時間存儲功能。控制器采用現場總線通信技術,上位機管理軟件可以時刻監控現場的運行情況,及時發送報警信息。
在每路低壓出線柜上配置了安科瑞公司的ALP系列低壓線路保護器,具有過流、零序、斷相等保護功能,有效保護低壓配電線路,保證回路斷路器可靠動作。本項目低壓配電系統中二次設備見表2。
表2 低壓配電系統二次設備


圖4 AFPM100消防設備電源監控系統接線
6 結論
隨著經濟的發展,商業建筑不斷增多,這些建筑綜合性強、建筑面積大且業態復雜。本文針對大型多層商場變配電中遇到的一些實際建筑電氣設計配電問題,結合實例,對設計中遇到的問題和實際做法進行分析比較。
參考文獻
[1] 現代建筑電氣.供配電.姚天舒.No.2 Vol.52014.
[2] JGJ 16-2008 民用建筑電氣設計規范[S].
[3] GB 50052-1995 供配電系統設計規范[S].
[4]安科瑞電氣股份有效公司.能效管理系統設計安裝圖冊.2013.11.1合訂本.
作者簡介:
戴金花,女,本科,項目經理,從事變配電監控系統工作。江蘇安科瑞電器制造有限公司 Email:2880157871@qq.com TEL:18860995103 座機:0510-86179967 QQ:2880157871










