江蘇安科瑞電器制造有限公司 江蘇江陰 214405
隨著醫療電子設備在醫院領域的廣泛應用,漏電流對病人構成的威脅也越來越大,尤其是那些生命攸關的場所,為了降低醫療電擊事故的發生,提高醫療用電的安全性、可靠性,保障醫患雙方合法權益,所以在醫院二類場所要采用供電可靠性好和電流泄露小的IT配電系統供電,即中性點不接地配電系統,可以很好的防止患者觸電現象的發生,并且在配電系統中要加設絕緣監測裝置,對IT配電系統的運行情況進行實時的監控。在我國實施的《民用建筑電氣設計規范》中規定:在二類醫療場所(手術室、重癥監護室、心血管造影檢查室、心導管室等)內,用于維持生命、外科手術和其他位于“患者區域”內的醫用電氣設備和系統的供電回路,均應采用醫療IT系統。
1 TN-S系統和IT系統供電特點
1.1 TN-S系統
如圖1所示,在醫院供電中通常會采用TN-S系統,即電源的中性點直接接地,電氣裝置所有的外露可導電部分和外界可導電部分與中性線連通,在TN-S系統中中性線(N線)和保護線(PE線)是分開的。設備的外殼雖然采用保護接地,當設備發生漏電時,仍有微電流流過人體。尤其在手術室、重癥監護室等特殊地方,因病人在麻醉狀態下失去或降低防衛能力,各種電極、傳感器或者管道直接插入人體內,在這種情況下,如果有10μA 的電流直接流過病人心臟,就會造成病人觸電死亡。另外,在TN-S系統中會采用30MA的漏電流保護器,如果有漏電流,斷路器會動作,從而影響供電的連續性。

圖 1 TN-S漏電示意圖
1.2 IT系統
醫院二類場所采用IT系統供電,如圖2所示,隔離變壓器次級采用不接地的方式。首先可以防止其它供電回路中的漏電流通過接地線竄入醫療電氣設備中對病人的安全構成威脅。另外,一旦IT系統所接負載出現對地故障時,因與電源端不能構成回路,只產生一個很小的容性漏電流,極大地避免了電流對病人的傷害,從而保護了病人的安全。如果在手術的過程中出現絕緣故障的時候,可先把手術做完,再通知電氣維護人員進行故障排查。

圖2 IT系統接線示意圖
2 IT系統主要元器件
本項目采用的是安科瑞醫療IT隔離電源系統,其主要設備是隔離變壓器、絕緣監視儀、電源模塊、電流互感器、報警與顯示儀、信號發生器、故障定位儀。如圖3所示。

圖 3 醫療IT系統的構成
2.1 隔離變壓器
AITR隔離變壓器是專門用于醫療場所的隔離變壓器,初級繞組與次級繞組之間采用了雙重絕緣處理,并設計了靜電屏蔽層,最大程度減少了兩繞組之間的電磁干擾。繞組內安裝了PT100溫度傳感器,可用于監測繞組溫度。隔離變壓器整體采用真空侵漆處理,增加了機械強度并具有抗腐蝕作用??赏ㄟ^絕緣監視儀對變壓器溫度進行檢測并發出超溫報警。另外,產品還采用了低溫升和低噪聲設計,使其具有很好的溫升性能和很低的噪聲。IT配電系統如圖4 所示。

圖4 IT配電系統
在醫療二類場所,病人接觸的設備多為單相,所以采用單相隔離變壓器供電,醫療二類場所中的三相大型醫療儀器,使用時一般不與病人直接接觸,因為三相IT 系統中如果出現單相接地故障,非故障相的對地電壓將升高到對地額定電壓的1.7 倍,因而具有對地故障擴大的危險,所以應慎用三相IT系統。盡量采用單相隔離變壓器供電。
2.2 絕緣監視儀
AIM-M系列絕緣監測儀是一款高性能的絕緣監測裝置,專用于醫療IT系統中,用于監測IT系統對地的絕緣狀態,其中變壓器負荷監視響應值為2.1~50A,絕緣監視響應值可調范圍為50~999kΩ。當系統出現絕緣故障時,能夠及時發出報警信號,提醒工作人員根據實際情況進行處理。產品具有豐富的顯示與報警指示功能,界面友好,操作方便。有如下功能:
(1)具有對被監測IT系統對地絕緣電阻、變壓器負荷電流、變壓器繞組溫度實時監測與故障報警功能;
(2)能實時監測與被測系統連線斷線故障、溫度傳感器斷線故障以及功能接地線斷線故障,并在故障發生時給出報警指示;
(3)繼電器報警輸出、LED報警指示等多種故障指示功能;
(4)采用先進的現場總線通訊技術,與外接報警和顯示儀、上位機管理軟件通訊,可以實時監控IT系統的運行狀況;
(5)具有事件記錄功能,能夠記錄報警發生的時間和故障類型,方便操作人員分析系統運行狀況,及時消除故障。
(6)支持絕緣故障定位功能(AIM-M200具有此功能),能與絕緣故障定位裝置共同實現故障定位,并顯示定位結果。
2.3 外接報警顯示儀
外接報警與顯示儀是一款采用先進的現場總線通信技術的遠程顯示和聲光報警裝置。能夠實時顯示AIM-M系列醫療智能絕緣監測儀當前絕緣電阻、變壓器負荷率等監測數據,并在系統出現故障時發出聲光報警信號。也可以通過AID系列報警與顯示儀遠程設置AIM-M系列醫療智能絕緣監測儀的報警閾值。AID系列報警與顯示儀根據安裝方式和顯示方式的不同共有AID100、AID120和AID200三個型號。該裝置可安裝于手術室或重癥監護室內的信息控制面板上,以便于醫護人員了解隔離電源系統的運行狀況,以及系統出現故障時的故障類型。
可安裝于手術室、護士站等場所。
2.4 專用電源
直流穩壓電源可同時為醫用智能絕緣監測儀、測試信號發生器、絕緣故障定位儀和集中報警與顯示儀等儀表提供直流24V電源。該電源功率大、電壓輸出穩定、紋波小、耐壓等級高等特點,安裝方便,
2.5 電流互感器
AKH-0.66P26型電流互感器是與AIM-M系列絕緣監測儀配套使用的保護型電流互感器,最大可測電流為50A,變比是2000:1,電流互感器采用螺絲直接固定的方式裝于機柜內部,二次側通過接線柱引出,安裝和使用方便。配合絕緣監視儀對醫用隔離變壓器的負荷情況進行檢測。
2.6 測試信號發生器
ASG100測試信號發生器采用32位微處理器芯片和高精度的信號產生電路,實現特定測試信號的產生。當被監測的IT系統出現絕緣故障時,能及時啟動并產生測試信號,配合絕緣故障定位儀實現絕緣故障定位。
2.7 故障定位儀
AIL100-4/AIL100-8絕緣故障定位儀采用高靈敏度互感器配合高精度的信號檢測電路,檢測ASG100測試信號發生器注入系統中的信號,準確定位絕緣故障所在的回路。其中AIL100-4絕緣故障定位儀能定位4個回路的絕緣故障,AIL100-8絕緣故障定位儀能定位8個回路的絕緣故障。
3 IT系統在項目中的應用
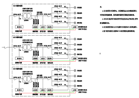
在本次項目中,共有15 間手術室、30 張重癥監護病床及相關二類場所采用IT系統供電。每間手術室設置一套10kVA 隔離電源系統,30張重癥監護病床根據每個病床2kVA 的最大容量考慮,30張重癥監護病床一共設置8 套8kVA IT監測系統,手術室的配電系統圖如圖5所示,重癥監護室系統圖如圖6所示。

圖 5 IT系統在手術室配電系統圖

圖 6 IT系統在重癥監護室配電系統圖
IT 系統設備需要滿足的要求:
(1) 隔離變壓器對地泄露電流和外護物的泄漏電流均不應超過0.5mA ;醫療IT系統應采用單相隔離變壓器,隔離變壓器額定輸出容量不應小于0.5kVA,但不應超過10kVA。
(2) 絕緣監視儀交流內阻抗應至少為200kΩ,測試電壓不應大于直流25V,即使在故障情況下,其注入電流的峰值不應大于1mA,在絕緣電阻小于50kΩ時,應發出絕緣故障指示。
(3) 報警與顯示儀應裝設在手術室內的情報面板上或者護士站內,以便醫務人員可以經常監視。在絕緣電阻小于50kΩ時,音響報警動作,提醒工作人員處理相關故障。當故障被清除后,系統自動恢復正常。
(4) 對于手術室,每個房間應配有獨立的IT系統,主要儀器用電插座、無影燈、吊塔等各用電回路必須經過隔離變壓器。
(5) 柜體以及IT系統的用電設備的外殼應可靠接地,
總之,IT 系統不但滿足了我國《民用建筑電氣設計規范》中對2類醫療場所必須使用醫療IT 系統的要求,而且充分保障了患者和醫務人員的安全和醫療設備的安全使用,所以IT 系統在我院新區醫療系統中具有很強的實用性。
[參考文獻]
[1] GB16895.24-2005\IEC60364-7-710:2002,中華人民共和國國家標準.建筑物電氣裝置第7-710部分特殊裝置或場所的要求-醫療場所[S].
[2] JGJ16-2008民用建筑電氣設計規范.12.8醫療場所的安全防護[S].
作者簡介:戴金花,女,本科,江蘇安科瑞電器制造有限公司,主要研究方向為智能建筑供配電監控系統。Email:2880157871@qq.com QQ:2880157871 手機:18860995103 電話:0510-86179967 傳真:0510-86179835










